На складе
2039.00р.
- Краткое описание
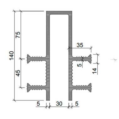
Гидрошпонка ДЗ-140/30-4/35 из ПВХ – это деформационная защитная гидрошпонка из ПВХ-П. Ширина – 140 мм при ширине деформационного узла 30 мм. Для монтажа нужны 4 анкера. Их общая высота с учетом тела шпонки – 35 мм. Эта серия известна нестандартными размерами.
Технические характеристики ДЗ-140/30-4/35 их ПВХ
| Характеристика | Метод | Группа I | Группа II |
|---|---|---|---|
| Твердость по Шор, А (ед. Шор) | ГОСТ 263 | 70 ± 5 | 70 ± 5 |
| Прочность при разрыве, МПа | ГОСТ 270 на образцах тип 1 толщ. 2,0 мм |
11,7 (117) | 11,7 (117) |
| Предельное удлинение, % | ГОСТ 270 на образцах тип 1 толщ. 2,0 мм |
300 | 300 |
| Остаточная деформация, % | ГОСТ 9.029 метод Б |
50 | 50 |
| Температура хрупкости, °С | ГОСТ 7912 | -40 | -40 |
| Коэффициент морозостойкости по эластическому восстановлению при -50 °С | ГОСТ 13808 | 0.2 | |
| Коэффициент морозостойкости по эластическому восстановлению при -45 °С | ГОСТ 13808 | 0.2 | |
| Стойкость к термосветозонному старению при -40 °С при статическом растяжении 20% |
ГОСТ 9.026 |
Не допускаются трещины | Не допускаются трещины |
| Сопротивление раздиру, кгс/см | ГОСТ 262 | 20 | 20 |
| Измерение твердости после воздействия водного раствора хлористого натрия по ГОСТ 4233 с массовой долей 10% в течение 14 суток при температуре 70 °С, не более | ГОСТ 9.030 метод В |
3 | 3 |
| Диапазон рабочих температур, °С | -40/+70 | -40/+70 | |
| Гарантия | 5 лет | 5 лет |
Основные
- Диапазон рабочих температур (°С)
- -40/+70
- Коэффициент морозостойкости при - 45 (°С)
- 0,2
- Коэффициент морозостойкости при -50 (°С)
- 0,2
- Материал изготовления
- Поливинилхлорид
- Остаточная деформация (%)
- 50
- Предельное удлинение (%)
- 300
- Прочность на разрыв (МПа)
- 11,7
- Сопротивление раздиру (кгс/см)
- 20
- Стойкость к термосветозонному старению при -40 (°С)
- Не допускаются трещины
- Твердость по Шору
- 70
- Твердость после воздействия водного раствора NaCl, 14 суток
- 3
- Температура хрупкости (°C)
- -40
Рекомендуемые товары

















